NEW, NO CORE

649-032 - PULLEY

ALLTECH PULLEY 8 GROOVE SERPENTINE
Part # :
649-032
Buy from a local reseller Reseller login to see more details

We don’t sell directly to client but you can easily find a reseller that will provide our parts. Make sure they provide you with DC Alltech’s product so you can have our exclusive 1-year guarantee program.

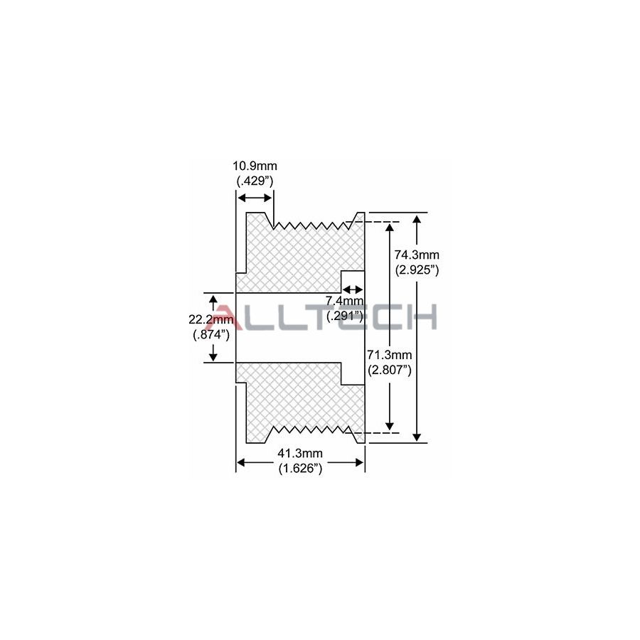
Technical details

Quality NEW, NO CORE
Groove Type Serpentine
Groove 8
ID 0.874in / 22.2mm
OD 2.925in / 74.3mm
Tested in Canada No

References

Manufacture SKUs
ADR5039
10474925
F3HZ10344B
43592
457-045

Product Notice

As a parts distributor we mostly sell aftermarket parts (any OEM parts would be noted as such). Aftermarket parts are not sourced from the original vehicle or equipment manufacturer, but are designed to function the same as - if not better than - the original. All parts sold are new with no core unless notified with -R at then end of our Product SKU.

Warning

This product may expose you to chemicals such as Lead, Carbon Black, Silica, Crystalline which are known to the State of California to cause cancer and birth defects or other reproductive harm. For more information go to www.P65Warnings.ca.gov.